FORMATION HYDRAULIQUE : Depuis des années insitu, a un savoir faire et une reputation mondiale d’excellence et qui en fait la référence incontournable pour la formation continue en hydraulique, toujours innovateur, c’est insitu qui a développer le concept de formation par webcam et nous somme toujours a la pointe de la technologie.
depuis longtemps insitu forme des professionnels en hydraulique, dans l’hydraulique mobile, hydraulique stationnaire et en lubrification.
choisir les expert formateur insitu, c’est la garantie de formations solides et au top niveau de la technologie et toujours en avant garde.
offrir une pédagogie sur-mesure et qui ne pénalise pas votre planning de production, avec la formation a distance avec webcam ou formation hydraulique en ligne.
types de formation hydraulique.
- formation hydraulique classique.
- box formation hydraulique.
- formation hybridation hydraulique.
- formation à la carte et adapté aux installation de votre usine et aux niveau de vos techniciens hydrauliciens.
- formation à distance par webcam, insitu qui a développer le concept et a notre connaissance le 1e a l’exploiter intensément
Nos moyen pour la formations hydrauliques.
- une multitude de banc pédagogique et didactique, pour une bonne assimilation des cours.
- Banc didactique pour Circuit Ouvert, Circuit Fermé et tous Application, comme masse menante etc..
- des classeur hautement pédagogique est inclus dans la formation hydraulique.
alternance entre théorie et pratique, car les technicien de terrain ont besoin de cela pour une bonne compréhension.
hydraulique stationnaire : maitriser tous les aspects de l’hydraulique des machines industriel statiques
hydraulique mobile : vous former pour maitriser l’hydraulique dans les engins mobiles, de travaux public, agricole, manutention…
lubrification : maitriser les systemes de lubrification pour la mecanique de vos installation et de vos machines ou engins
vous voulez de devenir hydraulicien ?
vous voulez validez vos acquis d’expérience (vae) avec insitu ?
formation audit hydraulique
conseil expertise hydraulique
documentation hydraulique
formations hydrauliques
formation hydraulique industrielle
formation hydraulicien
formation hydraulique niveau 1
formation hydraulique en ligne
formation continue hydraulique
formation hydraulique mobile
formation hydraulique pdf
formations hydrauliques insitu
installation hydraulique industrielle
formation pneumatique
formation pompe hydraulique
catalogue formations hydraulique
- formation-hydraulique-industrielle
- formation-hydraulique-insitu
- formation-hydraulique-niveau-1
- formation-continue-hydraulique
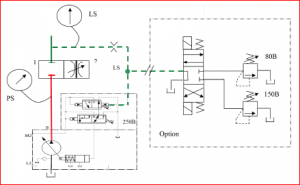
- formation hydraulique pdf , ici un schemas pompe hydraulique load sensing
- formation-hydraulique-mobile
- installation hydraulique industrielle, installation hydraulique avec accumulateur, groupe moto pompe et regulation
- formation-hydraulicien
- formation hydraulique en ligne










Ping : FORMATION HYDRAULIQUE sécurité risques hydrauliques - Res'Hydrau Réseau d'Hydrauliciens
j’aimerai bien avoir une formation dans ce domaine
bonjour
merci de préciser beaucoup plus ce que vous attendez et votre niveau actuel en hydraulique
cordilament
Ping : formation hydraulique et oléohydraulique - Res'Hydrau Réseau d'Hydrauliciens
je suis étudiant en hydraulique exactement en master 1;spécialité :ouvrage et aménagement,j aimerais bien faire cette formation on hydraulique pour mieux maîtriser le domaine
bonjour
vous parler hydraulique eau, ici c’est hydraulique huile, sa n’a aucun rapport
cdl
how can i get the training ???how much it cost???
hello
Patrick you will answer by email
no problem for English training
cordially
http://www.hydraulicien.fr/contact-formation-hydraulique
Bonsoir, j’aimerai être un professionnel de l’hydraulique, comment m’orienter puisque je travaille sur des machines de moulage par injection, et j’aimerai également avoir une idée de combien cela me coutera.
Merci,
Cordialement
bonjour,
je suis au cameroun et je suis intéressé par la formation en hydraulique.
j’aimerais avoir plus d’information sur le sujet
merci,
cordialement