Consignation et sécurité hydraulique
Bonjour,
Je suis actuellement en stage ingénieur généraliste de fin d’étude dans le domaine de la maintenance. Mon sujet de stage porte sur la mise en place des modes opératoires de consignation pneumatique et hydraulique (et la mise en sécurité des machines lors des interventions de maintenance).
Je n’ai pas fait beaucoup d’hydraulique à l’école et donc je galère un peu…
Je fais face à beaucoup de centrales hydrauliques pour lesquelles j’ai les plans des circuits.
Voici mes questions :
Dans le cas où je n’ai pas d’accumulateur, consigner la pompe consignera le circuit n’est-ce pas ? Il restera un peu d’huile dans le circuit mais à une pression nulle ?
Dans le cas où des accumulateurs sont présents, il n’y a que très rarement des blocs de sécurité permettant de décharger les accus. S’il n’y en a pas, les circuits restent en pression c’est bien ça ? (si on consigne la pompe).
La solution serait d’y ajouter des blocs de sécurité avec une vanne de décharge de l’huile, n’est-ce pas (modification du circuit) ?
Y’a-t-il d’autres solutions ?
Dans l’attente de votre réponse, je vous remercie,
A bientôt !
Florian : 12mai15
Florian
j’ai créer cette page, car c’est une tres bonne question qui peux en intéresser d’autre, sous forme de commentaire, ajouter de nouvelle question et ont y répondra ensuite
c’est un bon sujet a traiter avec prudence, l’hydraulique a beaucoup de force et forcement plein de danger
les circuit avec accumulateur hydraulique sont effectivement dangereux, surtout pour les gros volumes
il y a pas toujours un bloc de sécurité au norme, mais souvent, il y a quand meme une mise a vide de l’accumulateur, au moins manuel et de plus en plus la mise a vide ce fait en absence de courant electrique
2 autres article qui vont vous intéresser
accumulateurs-hydraulique-formation-securite-risque-entretien-gonflage-fonctionement
formation-securite-hydraulique
gerard




Consignation hydraulique
Ping : Formation sécurité hydraulique - Experts Hydrauliciens
Merci beaucoup pour ces infos !!
Je me demande toujours une chose, si la pompe est consignée, l’huile n’est pas purgée et la pression dans le circuit est à 0. On peut alors considérer que le circuit est consigné ? (dans le cas où il n’y a plus de pression dans le circuit donc pas de distributeurs bloquant ou de clapets).
Ou ce peu d’huile qui reste est une source d’énergie dangereuse ?
Car une pression nulle dans le circuit risque de faire chuter des éléments au moment de la consignation, ce qui est dangereux, mais après il n’y aura plus de dangers non ?
Je vous remercie
bjr
en générale ont ne consigne pas une pompe, mais ont coupe l’alimentation electrique du moteur de la pompe hydraulique
il n’y a pas besoin de purger l’huile qui est dans la pompe, car sans debit ni pression, dans la pompe car via les fuite interne la pression dans la pompe chute tres vite
une source d’énergie tres dangereuse, c’est par exemple sur une presse qui retient la charge avec son verin et une personne peux expérimenté desserrer un raccord et le verin tombe, ou si un raccord est arraché lors de mauvaise manœuvre
avant de consigner, il faut faire en sorte que les verin soit sans pression et les charge en bas
si ont laisse un verin en plein charge en hauteur, il peux descendre via les fuites interne, sa peux prendre des heure ou semaine selon la fuite
mais une consignation brutal, peux aussi faire chuter un verin, tout depend du schémas hydraulique
cdl
Bonjour cher amis le car de ton problème c’est très simple vérifie le plateau d’alignement de piston ou la culasse pour est sur que elle est en bonne état ou elle dans d’autre car le drain…..de pilotage du clape c’est bloque raison pour laquelle il n’arrive pas a incliner le plateau des piston je vous remercie voici mon Email Patrick.dupand@gmail.com
je suis Mr Kra yao Nicolas
CORDIALEMENT
Bjr,
Merci pour ces informations qui vont me faire avancer grandement.
Oui bien sûr quand je parle de consigner la pompe, je parle bien de consigner électriquement l’alimentation du moteur
Il me reste une question concernant les schémas hydrauliques cette fois-ci :
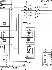
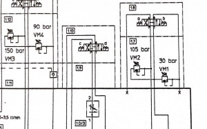
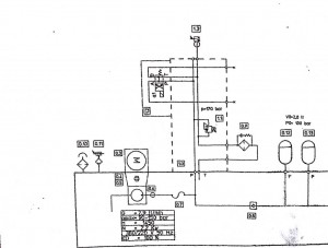
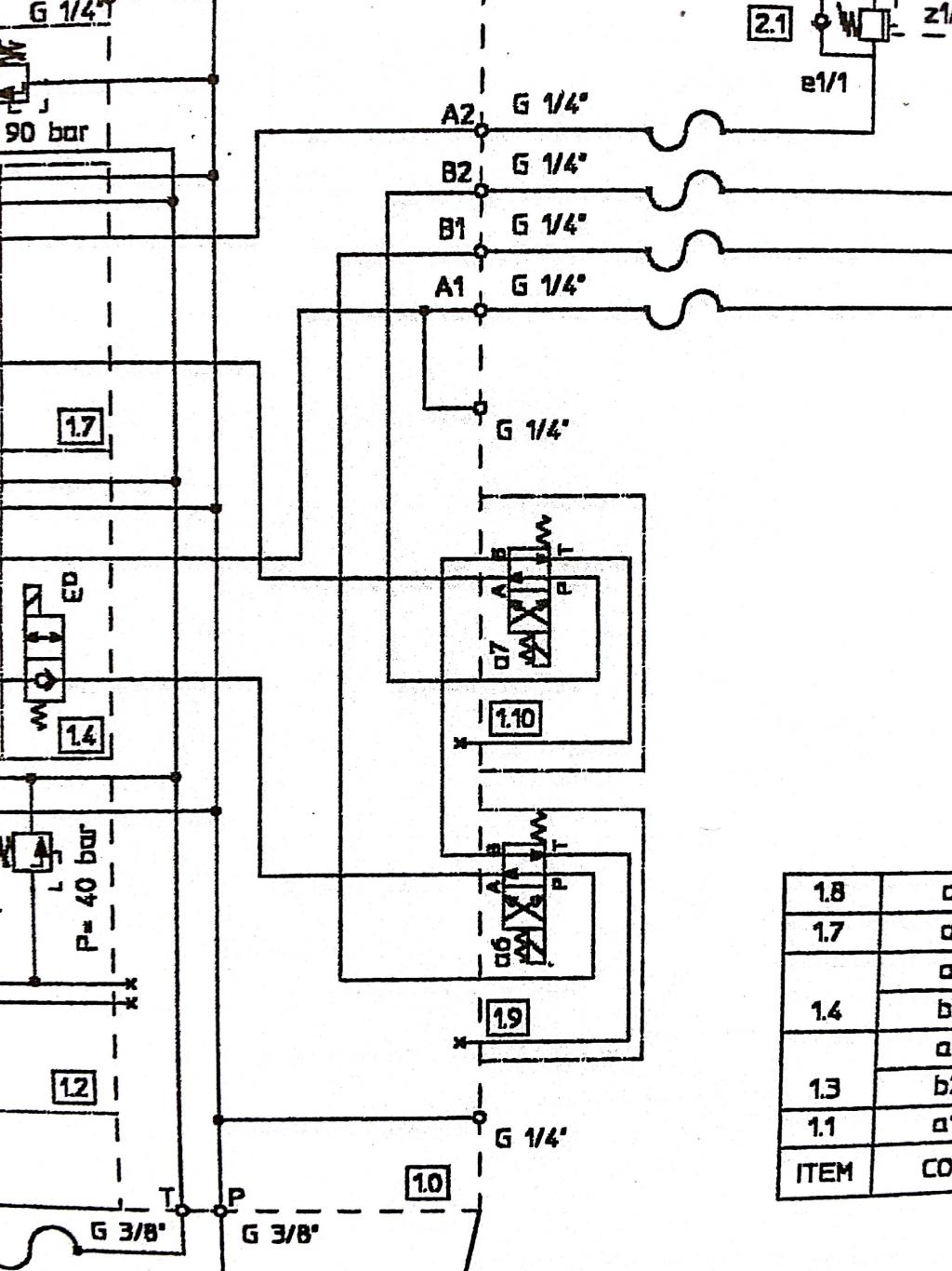
Je n’arrive pas à trouver ce que représente une croix dans un schéma hydraulique.
D’après mes schémas, je pencherais pour des orifices non utilisés à boucher dans ces cas d’exemple :
http://img110.xooimage.com/files/2/1/2/nouveau-document_1-4b47f78.jpg
http://img110.xooimage.com/views/f/0/9/nouveau-document_2-4b47f9a.jpg/
Mais dans ce cas, je ne sais pas trop, je dirais que ça pourrait être des orifices qui permettent de brancher un actionneur en cas de besoin ? :
http://img110.xooimage.com/files/b/9/a/nouveau-document_3-4b47fb5.jpg
Je ne trouve rien sur ce symbole hydraulique sur le net !
Encore merci pour votre aide !
A bientôt
bjr
les croix en bout de canalisations, generalement sa indique que c’est bouché
mais sa peux etre parfois une prise minimess ou un simple bouchon
un bouchon peux en effet etre enlevé pour modifier le circuit vers actioneur ou tout autre fonction
cdl
OK merci bien, je me doutais un peu mais je préfère être sûr !
En décortiquant mes schémas, j’ai remarqué que plusieurs parties de mon circuit restent en pression à cause de clapets ou distributeurs, afin de maintenir en position certains vérins (un seul côté bien sûr) pour éviter les mouvements à chaque arrêt d’urgence etc… Or les normes disent que les machines en cas d’interventions de maintenance doivent être purgées de TOUTES leurs énergies…
Alors bien sûr les clapets sont là dans une optique de sécurité mais en cas d’intervention sur le vérin qui reste en pression, ça se complique. Quelles sont les solutions techniques qui s’offrent à moi ? A part intégrer un distributeur manuel (un peu comme ceux qui servent de bloc de sécurité pour les accus) qui retournerait l’huile des chambres encore sous pression vers le tank, je ne vois pas vraiment. Sachant que la purge de ces zones ne se ferait qu’en cas de nécessité et pas à chaque intervention.
Encore merci !!
bonjour
a un moment selon la complexité des schema, il y a besoin de professionnel compètent qui saura ce qu’il faut faire dans telle situation et avec telle circuit
meme sans procédure un professionnel expérimenté agira efficacement et en toutes securité pour lui et la machine
les accidents arrive generalement avec les technicien peux expérimenté et pas encore bien formé ou l’absence de procédure de travail et de securité
un verin bloqué en position sans masse menante procure peux de dangers, car peux d’énergie est accumulé, un bon technicien expérimenté pour eviter ce que l’ont appel la douche d’huile, aura le reflexe de desserrer doucement le raccord et le manipuler pour qu’il soit libre et décomprime grace au jeux
oui les installations doivent être purgées de TOUTES leurs énergies, ce peux etre accumulateur ou verin par exemple
avec un accumulateur generalement il n’y a pas d’inconvénient de faire décomprimer l’accumulateur automatiquement et progressivement
un verin de nacelle élévatrice ou ascenseur par exemple, ont imagine pas qu’en cas d’arrêt d’urgence ont libère le verin et laisse chuter la charge, il n’y a pas d’autre choix que débloquer le mouvement en position manuel, parfois il est créer une petite fuite qui fait descendre le verin, mais sa peux etre dangereux aussi
un verin ou un treuil avec une grosse charge est une reserve d’énergie importante et generalement, seul le technicien formé et habilité peux décomprimer le circuit et faire baisser la charge
un des plus grand danger en hydraulique est de travailler sous la charge qui peux nous écraser ou casser la machine en cas de décompression brutal, sur une presse hydraulique, il y a souvent un système mecanique prévue pour cela
il existe des inconscient qui travail sous une charge et démonte raccord ou composant en fessant fi de toutes les règle de securité
cordialement
Merci bien !!
J’ai commencé à effectuer un tour minutieux des vérins hydrauliques, et pour l’instant, les charges qu’ils supportent ont des cales qui leur permettent d’être maintenues.
Un technicien m’a expliqué que la procédure générale consiste en effet à caler mécaniquement les charges, couper l’alimentation de la pompe. Et ensuite, il suffit de retirer un des deux axes afin que le vérin n’ait plus aucune contrainte. Bien sûr, tout cela est à faire en cas d’intervention sur le circuit hydraulique du vérin.
Merci pour tout et encore merci de m’avoir consacré un sujet,